Ремонт блока питания компьютера
Ремонт блока питания компьютера

- Общая проверка.
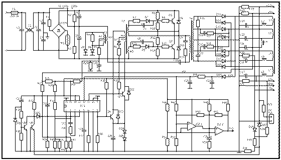
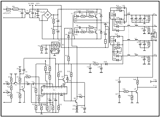
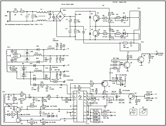
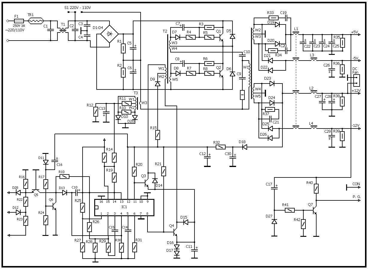
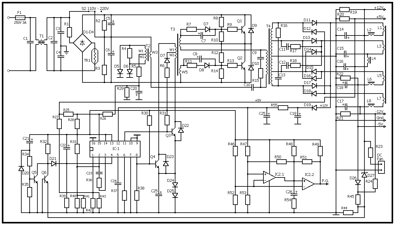
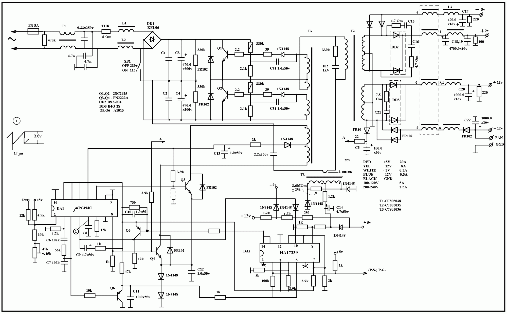
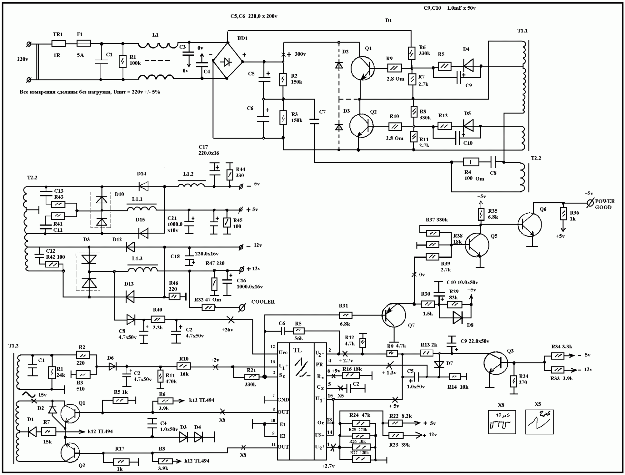
- Принципиальные схемы блоков питания компьютеров.
- Проверка микpосхемы TL494 и ее аналогов.(М1114ЕУ4, mPC494C, IR3M02)
- Основные параметры М1114ЕУ3, М1114ЕУ4.
- Алгоритм поиска неисправностей М1114ЕУ3, М1114ЕУ4
Общая проверка
После разборки БП прозвонить на короткое замыкание ключевые транзисторы (типично BUT11A), резисторы на 1..3 ом в базе их на обрыв, мост на короткое/обрыв, пред-выходные транзисторы на кз/обрыв, диоды во вторичных цепях на пробой. В качестве пред-выходных при замене можно ставить наши КТ315, выходные или наши КТ872, КТ8114 (но тогда для самозапуска возможно потребуется снижение номинала резисторов между базой и коллектором их до 200к...150к), или импортные: 2SC3447, 2SC3451, 2SC3457, 2SC3460(61), 2SC3866, 2SC4706, 2SC4744, BUT11A, BUT12A, BUT18A, BUV46, MJE13005 После замены неисправных деталей проверить исправность микросхемы ШИМ TL494 или ее аналога, если определено что она неисправна - заменить. Желательно для профилактики убрать переключатель 220/120в. При включении в сеть для проверки, необходимо вместо предохранителя включить лампу накаливания 100вт 220в, а в выходную цепь +5в резистор 2...5ом 20вт
Принципиальные схемы блоков питания компьютеров
Проверка микpосхемы TL494 и ее аналогов (М1114ЕУ4, mPC494C, IR3M02)
В состав этой ИС входит: задающий генератор пилообразного напряжения А1, частота генератора задается внешним резистором R1 конденсатором C1 и может быть приближенно определена по формуле f=1/(C1*R1). R1 включается между выводами 6 и 7, а C1 между выводами 5 и 7. Амплитуда пилы не зависит от номиналов R1 и C1 и приблизительно равна 4В; усилитель цепи обратной связи DA2; широтно-импульсный модулятор, выполненный на компараторе DA4; усилитель защиты преобразователя от перегрузки по току или короткого замыкания на нагрузке DA1; делитель частоты на два, выполненный на счетном триггере DD2; каскады совпадения на элементах DD1, DD5, DD6; каскад на компараторе DA3, позволяющий построить:
- схему исключения перенапряжения на выходе преобразователя в переходных режимах;
- схему ограничения диапазона изменения коэффициента заполнения в необходимых пределах;
- схему обеспечения плавного выхода преобразователя на режим.
А также включает в себя:
- логические элементы DD3, DD4 предназначенные для задания режима управления либо однотактными либо двухтактными преобразователями;
- выходные транзисторы Q1 и Q2;
- встроенный непрерывный стабилизатор напряжения DA5 и реле напряжения (пороговое устройство) DA6;
- развязывающие диоды D1, D2 для обеспечения функции "ИЛИ" для выходных сигналов микросхем DA1, DA2.
Микросхема управления работает следующим образом. Непрерывный стабилизатор напряжения обеспечивает питанием все функциональные узлы ИС и задает опорное напряжение +5В (вывод 14) относительно общего вывода 7. Реле напряжения DA6 разрешает прохождение сигналов управления на базы транзисторов Q1 и Q2 только в том случае, если DA5 вышла на режим. Пилообразное напряжение (вывод 5), вырабатываемое генератором А1, поступает на вход компараторов DA3, DA4. На другой вход ШИМ-компаратора DA4, через развязывающий диод D2 поступает сигнал рассогласования с усилителя ошибки DA2. На один из входов DA2, непосредственно или через делитель, подключается источник опорного напряжения с вывода 14, а на другой вход поступает напряжение цепи обратной связи, т.е. выходное какого- либо канала (обычно с канала +5В). Между выводами 3 и 3, как правило, включается корректирующая RC-цепь для обеспечения устойчивой работы стабилизирующего преобразователя. С выхода ШИМ- компаратора прямоугольные импульсы поступают на один вход схемы совпадения DD1, с ее выхода импульсы проходят на счетный триггер DD2 и на схемы совпадения DD5, DD6. Если на управляющий вход элементов DD3, DD4 (вывод 13) подана логическая единица, то микросхема обеспечивает управление двухтактными преобразователями с паузами на нуле, а если на вывод 13 подан логический ноль (вывод 13 соединен с выводом 7), то DD2 не оказывает воздействие на работу ключей DD3, DD4 и в этом случае микросхема может быть использована для ШИМ или ЧИМ управления однотактными преобразователями. Для построения защиты /%`%#`c'.* по току, как отмечалось ранее, может быть использован DA1, при этом на один из его входов подается опорное напряжение, определяющее уровень срабатывания токовой защиты, а на второй вход подается сигнал с датчика тока. Узлы с использованием схем DA1 и DA3 могут быть самыми разнообразными. Для увеличения выходной мощности микросхемы при управлении однотактниками транзисторы Q1 и Q2 могут быть запараллелены, поскольку в этом режиме они работают синхронно и синфазно.
Основные параметры М1114ЕУ3, М1114ЕУ4
Uпит. микросхемы (вывод 12) - Uпит.min=9В; Uпит.max=40В
Допустимое напряжение на входе DA1, DA2 не более Uпит/2
Допустимые параметры выходных транзисторов Q1, Q2:
Uнас менее 1.3В;
Uкэ менее 40В;
Iк.max менее 250мА
Остаточное напряжение коллектор-эмиттер выходных транзисторов не более 1.3В.
I потребляемый микросхемой - 10-12мА
Допустимая мощность рассеивания:
0.8Вт при температуре окр.среды +25С;
0.3Вт при температуре окр.среды +70С.
Частота встроенного опорного генератора не более 100кГц.
Выводы М1114ЕУ4 полностью соответствуют выше перечисленным зарубежным аналогам, а соответствие между выводами М1114ЕУ3 и М1114ЕУ4 представлено ниже.
М1114ЕУ4 -- 1 2 3 4 5 6 7 8 9 10 11 12 13 14 15 16
М1114ЕУ3 -- 4 5 6 7 8 9 15 10 11 12 13 14 16 1 2 3
Алгоритм поиска неисправностей М1114ЕУ3, М1114ЕУ4
Проверка работоспособности микросхемы производится при отключенном БП и при питании ИС от внешнего ИВЭП напряжением +9В...+15В поданного на 12-й вывод относительно 7-го. Все измерения проводятся тоже относительно 7-го вывода. Кроме того подключение к ИС лучше осуществлять подпайкой проводов, а не с помощью "крокодилов", это обеспечит повышенную надежность контакта и исключит возможность ложных соприкосновений.
1. При подаче внешнего напряжения осциллографируем напряжение на 14-ом выводе, оно должно быть +5В(+/-5%) и оставаться стабильным при изменении напряжения на 12-ом выводе от +9В до +15В. Если этого не происходит, то значит вышел из строя внутренний стабилизатор напряжения DA5.
2. С помощью осциллографа наблюдаем наличие пилообразного напряжения на выводе 5 (см.рис.1.1а UвхDA4) если оно отсутствует или имеет искаженную форму, то необходимо проверить исправность времязадающих элементов C1 и R1 подключаемых соответственно к 5- му и 6-му выводам, если эти элементы исправны, то неисправен встроенный генератор и необходима замена ИС.
3. Проверяем наличие прямоугольных импульсов на выводах 8 и 11. Они должны соответствовать диаграмме 5 и 5' на рис.1.1а. Если импульсы отсутствуют, то ИС неисправна, а если присутствуют, то проверяем работоспособность других узлов ИС.
4. Соединив проводником 4-й вывод с 7-м, мы должны увидеть, что ширина импульсов на 8-м и 11-м выводах увеличилась; соединив 4-й вывод с 14-м импульсы должны исчезнуть, если этого не наблюдается, то надо менять ИС. Снизив напряжение внешнего (ab.g-(* до 5В, мы должны увидеть, что импульсы исчезли (это говорит, что сработало реле напряжения DA6), а подняв напряжение до +9В...+15В импульсы должны снова появиться, если этого не произошло и импульсы (которые могут быть произвольными) присутствуют на 8 и 11, то значит в ИС неисправно реле напряжения и необходима замена микросхемы.
5. Проверка работоспособности DA2. Снимаем ранее установленную перемычку между 4-м и 7-м выводом, подаем на 12-й вывод напряжение питания в пределах +9В...+15В и соединив 1-й вывод с 14-м мы должны увидеть, что на 8-м и 11-м выводах ширина импульсом стала равгой нулю, если этого не происходит, то DA2 неисправна и надо менять ИС.
6. В БП на рис.2, рис.3, рис3.4, DA1 используется в узлах токовой защиты и если предыдущие тесты показали, что все другие узлы ИС функционируют нормально, то проверка исправности DA1 осуществляется следующим образом: подаем на 12-й вывод +9В...+15В и наблюдаем на 8 и 11 прямоугольные импульсы. От другого источника питания подаем отрицательное напряжение на 15 вывод (относительно 7-го) при этом импульсы на 8 и 11 должны исчезнуть. Если этого не происходит, то значит не работает узел защиты на DA1.




